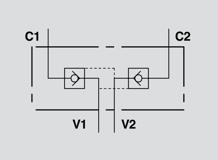
Operating Principle
This valve contains two integrated check valves that allow flow in one direction while preventing reverse flow. However, when pressure is applied to the pilot port, it opens the opposite check valve, enabling controlled bidirectional movement.
This makes it especially useful in actuating hydraulic cylinders where movement should only occur under specific, controlled pilot pressure. Essentially, it prevents unwanted drift or motion in hydraulic actuators unless an intentional signal is given.